Engenharia
Projetos conceituais e básicos para plantas
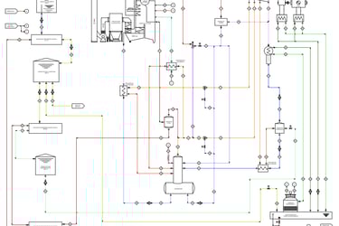
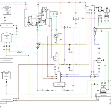
Desenvolvemos projetos conceituais e básicas para termelétricas e unidades produtoras de vapor.
FEL1
Identificação da oportunidade
Valida se a ideia é promissora e merece ser estudada em maior profundidade.
Confirma que o projeto é viável, escolhe-se a melhor alternativa e justifica tecnicamente e financeiramente sua implantação.
Engenharia conceitual
Engenharia básica
Desenvolver todos os documentos necessários para contratar e orientar a construção e comissionamento do projeto.
FEL2
FEL3
Saiba mais em nosso artigo (clique para abrir): EVTE.
Projetos de instalação
Elaboramos projetos de instalação para termelétricas e unidades produtoras de vapor.






Projetos de equipamentos
Projeto de equipamentos para os quais possuímos tecnologia, sendo estes:
Remoção de particulados;
Recuperação de calor;
Aquecimento / Resfriamento;
Desumidificação / Umidificação.
Projetos de sistemas
Projetos de sistemas que estão dentro de nosso know-how, sendo estes:
Centrais termelétricas;
Unidades produtores de vapor;
Unidades produtoras de água quente;
Unidades produtoras de água gelada;
Cogeração.
Entre em contato conosco
Estamos prontos para ajudar nas demandas da sua indústria.
